Conexões Forjadas

conexoes_forjadas

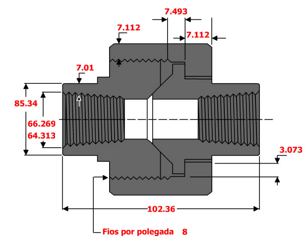
São acessórios normalmente utilizados em tubos de pequeno diâmetro, de água, gás, ar comprimido e de vapor com baixa pressão. São ligados às extremidades roscadas dos tubos.

Elas são mais fortes do que outras peças equivalentes, com uma força excepcional, altamente resistente. Os materiais forjados são encontrados em inúmeras formas de aplicação em indústrias, incluindo refinarias, de aço, estaleiros de construção, etc.

Além disso, as conexões forjadas são amplamente utilizadas em indústrias petrolíferas, químicas, petroquímicas, papel e celulose, energia elétrica, montagens industriais, entre outras.

Conexões Forjadas